![]() |
![]() |
|
• 雾化效果非常好,雾化微粒甚至可以达到10μm以下。
|
• 不锈钢
|

产品介绍:
• 通过高速气流撞击机械振子产生超声波, 超声波对液体产生声波压力,将液体破碎成小雾滴。
• 超声波雾化效果非常好,雾化颗粒甚至可以达到10μm以下,形成浓雾。
• 我们的喷头的设计有明显的优势,从维护的角度来看,由于喷嘴不依赖于高压力以达到最大雾化水的效果,
几乎完全消除需要高压水泵磨损问题。
• 喷嘴震动的同时清洁喷头腔体,喷嘴没有移动部件,100%不锈钢制造,
与黄铜喷嘴相比,更耐磨损和腐蚀,延长了使用寿命。
• 雾化的水滴平均颗粒度很小,而且最大颗粒度与最小颗粒度相差不大,即粒度很均匀,这对抑尘行业很重要。
• 震动头与高速气流撞击产生的震动,可以防止灰尘或其他外物粘附在喷孔里,保证喷嘴正常工作。
• 产品非常可靠而且很少需要维修。
• 有多种喷流角度(15-80°)和流量规格可选(下列参数数据只列举一部分)。
一般应用:
• 清除空气灰尘颗粒
• 农场、矿厂等控降尘抑尘
• 喷雾除尘、加湿
• 环保抑尘系统
外形结构:
• 每种型号的喷头外观结构有两种形式:一体式和钢丝式。
• 一体式:支撑震动头的三角架与主体连接在一起不可拆卸。
• 钢丝式:支撑震动头的三角架为钢丝嵌入主体内,可拆卸。

钢丝式 一体式
参数数据:

安装方式:
本公司为超声波雾化喷嘴提供几种适用于不同场合的安装底座,满足各种不同用户的需求。
有普通底座、薄壁安装底座、万向球安装底座、喷雾箱等。
一、普通底座

普通底座可以通过焊接或其他方式固定在需要使用的地方。普通底座进水接口螺纹为G1/8,近气接口螺纹为G1/4。

二、薄壁安装底座

薄壁安装底座适合安装在薄壁上,底座外螺纹端装入薄壁开口,通过锁紧帽锁紧固定在薄壁上。

三、万向球安装底座

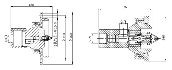
1、法兰安装式万向球安装底座通过法兰安装在应用场合,喷嘴通过万向球可以在一定范围内(50°)调节喷嘴方向。
底座内可以安装加热棒,防止寒冷环境下水源结冰。
2、焊接安装式万向球安装底座通过焊接安装在应用场合,喷嘴通过万向球可以在一定范围内(50°)调节喷嘴方向。
内部无加热装置,外形小巧。

实物展示:
